



連接器制作流程

![]() | 選材—臺灣進口優質原材 鑫鵬博選用國際59-1(特A級)的優質黃銅,又稱樂器級黃銅。含銅量高、硬度高、雜質少、不易變形,電流信號傳輸更流暢,信號丟失率更低。 臺灣品質 出口標準 |
沖壓—高速沖壓一體成型 鑫鵬博進口18臺大型高速沖壓機,將插針一體沖壓成型,確保產品品質,并篩選出扭曲、脆裂、變形的產品。 一體成型 確保品質 | ![]() |
![]() | 電鍍—5層電鍍工藝 在全長120米的全自動環形電鍍線上,鑫鵬博產品表面經五層電鍍處理,確保產品通過260/280度嚴格測試 | 通過24小時鹽霧測試。 5層電鍍 嚴格測試 |
注塑—精密注塑工藝 鑫鵬博擁有30臺成型線注塑機,采用臺灣進口高性能PET塑料原材,確保長期高溫狀態正常使用,電絕緣性優良,出口標準級的注塑工藝,確保產品壽命。 精密注塑 確保壽命 |
|
![]() | 組裝—純手工組裝質檢 100多名熟練工人,純手工對各種配件進行手工組裝,去除有瑕疵的產品,對于產品表面效果的把控不僅體現苛刻的技術標準,更體現了鑫鵬博人對卓越品質追求的信念。 手工組裝 卓越品質 |
測試— 高于國際標準的嚴格質檢 遠高于國際標準的嚴格檢測程序,質檢人員逐只檢驗,并通過鹽霧測試箱、280°高溫測試,不放過任何瑕疵。 嚴格檢測 高于國際標準 | ![]() |
鑫鵬博定制流程


鑫鵬博強大實力

20年連接器生產經驗 鑫鵬博電子是一家專業的生產電子連接器、各類精密接插件、各類高品質卡座等產品的生產型企業。公司核心人員,均有20年的連接器生產經驗,目前擁有員工300余人,20年來,為30多個領域的2000多家企業提供高品質的連接器產品。 |
占地6000平方的自有工廠 公司擁有占地6000平方的自有工廠,15條現代化生產線,日產連接器20萬個。并擁有射出成型機40臺,高速精密沖床18臺,自動插PIN機、端子壓著機50臺,成型注塑機30臺以及其他相關檢測設備。 |
遠超國際標準,多項國家認證 通過ISO9001,TS16949質量管理體系認證及ISO4001、QC0800000環境管理體系等國際認證。榮獲廣東省著名商標、國家級高新技術企業、擁有35項國家專利。 |
占地6000平方的自有工廠 鑫鵬博的售后原則是:如果是產品質量問題,我們無條件包換。配備專業的客服團隊,24小時在線,為您解答關于連接器應用的一切問題,讓你售后無憂。 |
歡迎進入鑫鵬博
Welcome
| 深圳市鑫鵬博電子科技有限公司 |
深圳市鑫鵬博電子科技有限公司是集研發、生產、銷售、服務于一體的精密接插件及線束的專業廠商,成立于2003年,公司的突出優勢在于研發能力雄厚,擁有大量的專有技術以及行業內非專有技術 全國服務熱線:0755-29055299 |
聯系我們
Contact us
![]() | 服務熱線:0755-29055299 | ![]() | 傳真:0755-83464652 | ![]() | 盧先生:18924670453 劉小姐:13715330194 張小姐:13316412607 |
| 郵箱:xinpengbo2012@163.com | ![]() | 銷售地址:深圳市龍華區民治大道展滔科技大廈B座801 生產地址:深圳市光明新區樓村鯉魚水鑫博盛科技園B棟4樓 | ||




公司地圖
Company map
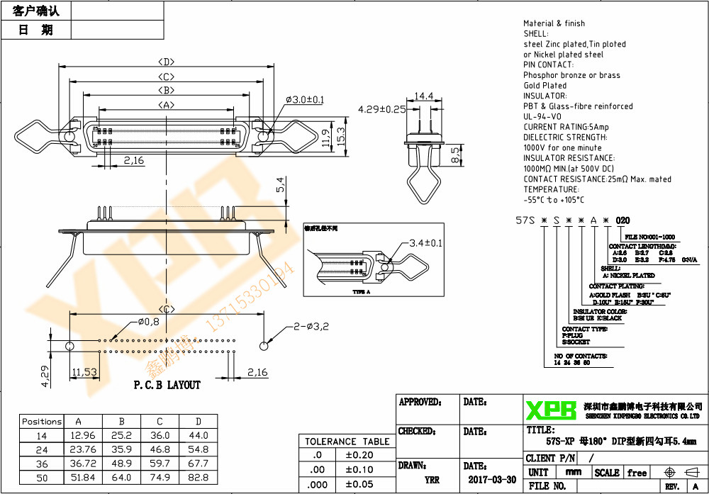
咨詢:57-36P母座180°焊板新四孔勾耳
* 為必填項